- 搪玻璃設備
- 王經理:05332860177
- 不銹鋼有色金屬設備
- 傅經理:13906430854
- 襯四氟設備及配件
- 傅經理:15253328001
- 技術咨詢服務
- 王經理:18653342297
10000L搪玻璃反應釜主要參數及圖紙
來源:搪瓷反應釜廠家??日期:2022-12-09
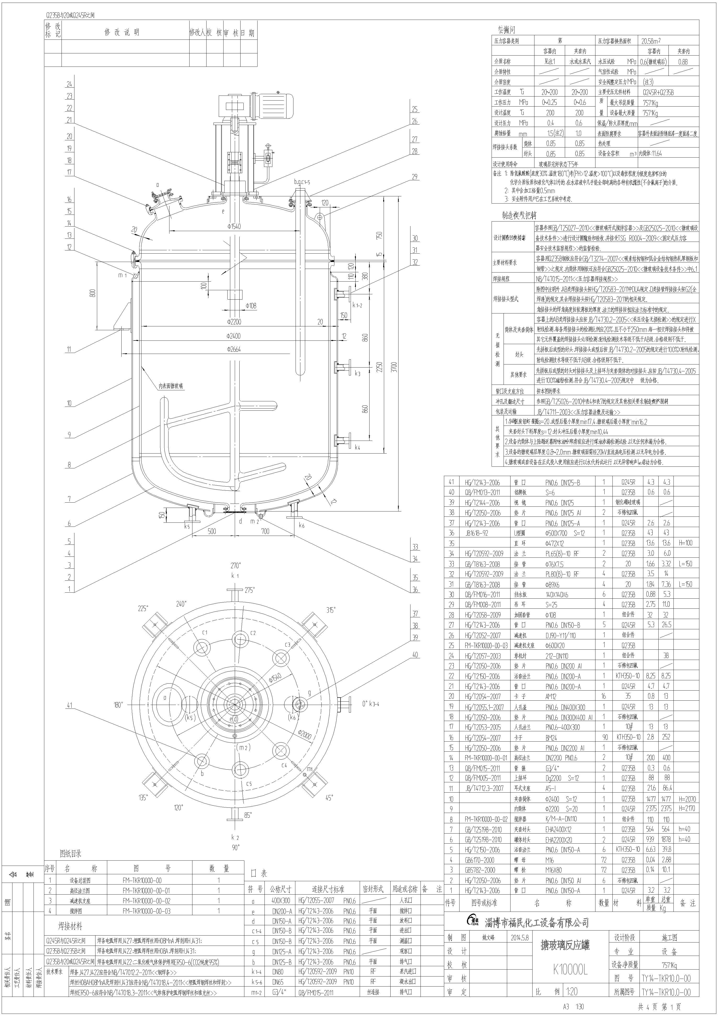
10000L搪玻璃反應釜主要參數及圖紙,大型的搪玻璃設備也是很多企業(yè)需求量較大的,為了保證正常的運行和工作,選擇優(yōu)質的設備是非常有必要的,今天我們就先來介紹下10000L搪玻璃反應釜的主要參數,大家若想了解更多也可以參考其圖紙。
10000L搪玻璃反應釜有開式和閉式兩種型式,大家可根據自己的需要來選擇。
10000L搪玻璃反應釜開式主要參數:公稱容積:10000L;實際容積:10520L;傳熱面積:20.58㎡;內筒體:ф2200mm S=20mm;夾套筒體:ф2400mm S=12mm;攪拌器:K/M-A-DN110;釜體設計壓力(0.25MPa、0.4MPa、0.6MPa),反應釜夾層設計壓力(0.6MPa),反應釜參考重量7571㎏。一般采用11KW減速機,錨(框)式轉速63.85r/min(葉輪80.125r/min),配有帶視鏡人孔蓋PN0.6 400X300-II,墊片PN0.6 DN150。
10000L搪玻璃反應釜主要參數及圖紙
10000L搪玻璃反應釜主要參數及圖紙

10000L搪玻璃反應釜閉式技術參數:公稱容積:10000L;實際容積:11674L;傳熱面積:21.35㎡;內筒體:ф2200mm S=20mm;夾套筒體:ф2400mm S=12mm;攪拌器:K/M-A-DN110;釜體設計壓力(0.25MPa、0.4MPa、0.6MPa),反應釜夾層設計壓力(0.6MPa),反應釜參考重量8250㎏。一般采用11KW減速機,錨(框)式轉速63.85r/min(葉輪80.125r/min),配有帶視鏡人孔蓋PN0.6 400X300-II,墊片PN0.6 DN150。
以上是對10000L搪玻璃反應釜主要參數及圖紙的簡單介紹,大型設備價格偏高,希望用戶朋友們在采購的時候慎重選擇,如果條件允許能親臨現場考察那就更好了。如果大家對10000L搪玻璃反應釜還有不清楚的地方,可以隨時聯(lián)系我們的工作人員,我們會竭誠為您服務。
淄博福民24小時客戶服務熱線:如果您對10000L搪玻璃反應釜感興趣或有疑問,請致電:13906430854/0533-2860177,淄博福民化工設備--您貼心的采購廠家。
下一篇:搪瓷反應釜分水裝置介紹






